CZF-140A Marine Axial Fan
CZF-140A Marine Axial Fan
1. General
CZF-140A marine axial fans are new-type & energy save, low-noise fans. They are suitable for every cabin air ventilating and exchanging on ships. They are also applicable in other places that suit.
2. Features
CZF-140A marine axial fans are characterized by their extreme compact structure, small size, light weight, less power consumption, smooth and reliable in operation, being suitable for reversing operating and excellent resistance to a certain degree shock and vibration.
3. Structure
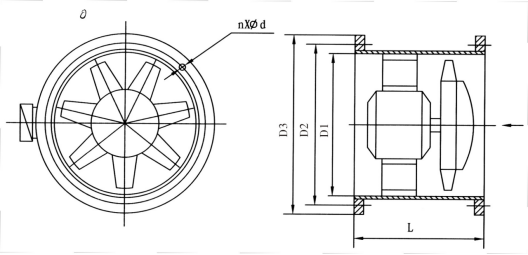
CZF-140A marine axial fans impeller is made of anticorrosive case aluminum alloy, it is dynamically shaped and carefully balanced to ensure the fan having reliable anticorrosive property and operating smoothly.
CZF-140A marine axial fans casing, being welding construction, is made of steel plate with flanges for connection with duct at both sides by bolts, and the surface is fully treated by anticorrosive painting. As desired, the casing can either be made into an integral one or an open type along the axial direction, the impeller and the motor are fixed on the movable half of the casing so as to bring convenience for on the-spot repair and the replacement of its spare parts.
CZF-140A marine axial fans is manufactured with a built-in casing motor structure. The impeller is directly mounted on the motor shaft.
Taking a front view from the motor side, the impeller should be turning clockwise. In practice, it can be turning counter clockwise too. Such being the case, the reversing characteristic are capable of no less than 60 percent of normal rating.
CZF-140A marine axial fans can be matched with AC380V, 50Hz or 440V, 60Hz marine or navy motor.
4. Technical data list

5. Model description
Example:CZF-140AK
C:marine or navy

7.Operation Conditions
1. General
CZF-140A marine axial fans are new-type & energy save, low-noise fans. They are suitable for every cabin air ventilating and exchanging on ships. They are also applicable in other places that suit.
2. Features
CZF-140A marine axial fans are characterized by their extreme compact structure, small size, light weight, less power consumption, smooth and reliable in operation, being suitable for reversing operating and excellent resistance to a certain degree shock and vibration.
3. Structure
CZF-140A marine axial fans impeller is made of anticorrosive case aluminum alloy, it is dynamically shaped and carefully balanced to ensure the fan having reliable anticorrosive property and operating smoothly.
CZF-140A marine axial fans casing, being welding construction, is made of steel plate with flanges for connection with duct at both sides by bolts, and the surface is fully treated by anticorrosive painting. As desired, the casing can either be made into an integral one or an open type along the axial direction, the impeller and the motor are fixed on the movable half of the casing so as to bring convenience for on the-spot repair and the replacement of its spare parts.
CZF-140A marine axial fans is manufactured with a built-in casing motor structure. The impeller is directly mounted on the motor shaft.
Taking a front view from the motor side, the impeller should be turning clockwise. In practice, it can be turning counter clockwise too. Such being the case, the reversing characteristic are capable of no less than 60 percent of normal rating.
CZF-140A marine axial fans can be matched with AC380V, 50Hz or 440V, 60Hz marine or navy motor.
4. Technical data list

5. Model description
Example:CZF-140AK
C:marine or navy
Z:axial
F:fan
140:impeller diameter is 140cm(rounded)
A:impeller code
K:open type

7.Operation Conditions
Medium temperature: -25℃ ~ +50℃
Max relative humidity: 95%
Periodical swing: ±22.5°
Continued transversal incline: ±15°
Continued longitudinal incline: ±10°
Vibration: existent
Impact: existent
REMARK:The technical data is only used for reference,please contact us and get detailed specifications and offer.
We could produce the marine axial fan according to customer's detailed requirement,welcome to contact us!
We could produce the marine axial fan according to customer's detailed requirement,welcome to contact us!
- Previous Product:CZF-140B marine axial blower
- Next Product:CZF-120A marine axial draft fan












